HỖ TRỢ
Ms. Hằng
Ms Linh
DANH MỤC SẢN PHẨM
TIN TỨC
Máy bơm chữa cháy là gì? Máy bơm chữa cháy là cụm từ thể hiện chức năng...
Máy bơm giếng khoan là gì? Máy bơm giếng khoan...
Máy bơm chìm nước thải mùa mưa – Cách chọn đúng...
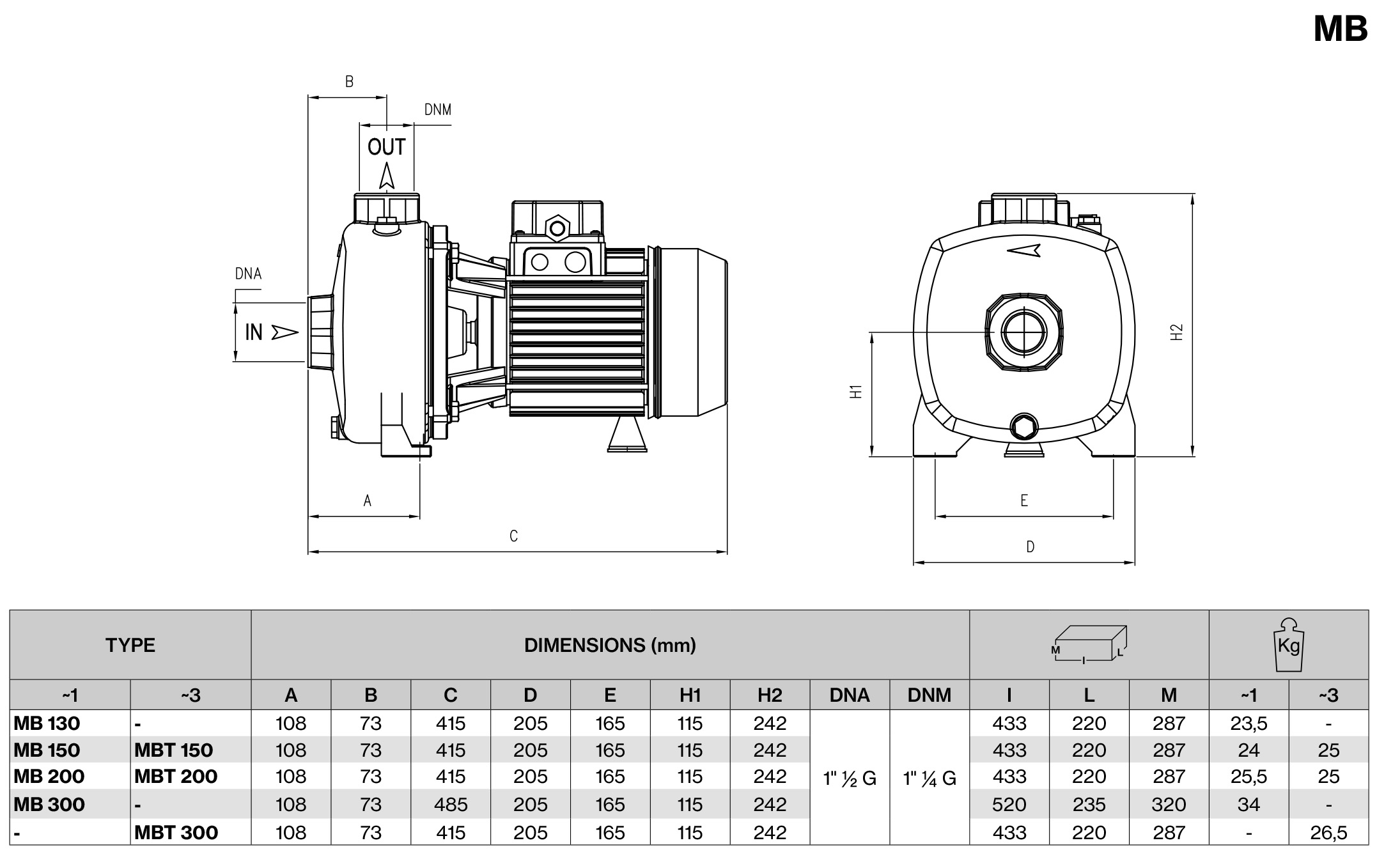
Mã sản phẩm: MBT 200
Thương hiệu: PENTAX
10.640.000 đ
(Chưa bao gồm VAT)
TƯ VẤN MIỄN PHÍ
Thông tin chi tiết
Máy bơm dân dụng Pentax MBT 200 2.5HP 380V là dòng máy bơm ly tâm 2 tầng cánh, với khả năng tự mồi, nên thuận tiện cho việc cấp nước, bơm được nước có lẩn không khí, việc mồi nước sẽ dễ dàng hơn. Bơm vận hành với công suất 2.5HP, lưu lượng và cột áp khá cao, lưu lượng: 2.4-10.2 m3/h, cột áp tương tứng tỷ lệ nghịch: 41.8 - 26 m
Máy bơm ly tâm trục ngang đầu gang Pentax dòng dân dụng series MB với thiết kế cánh ly tâm, dạng 2 tầng cánh, nên tốc độ đẩy chất lỏng của cánh quạt sẽ nhanh, đồng nghĩa với việc cột áp đẩy cao. Đầu bơm thiết kế lớn, với khả năng tự mồi, ưu điểm của các dòng bơm tự mồi đó là lực hút tốt, bơm được nước có lẩn không khí, mồi nước thuận tiện, chỉ cần đổ đầy đầu bơm và đường ống lần đầu, và các lần sau không cần thực hiện lại quy trình mồi.
Máy bơm Pentax MBT 200 với kết cấu bơm chắc chắn, vỏ đầu bơm được làm bằng gang, sơn tĩnh điện màu xanh, đặc trưng của hãng Pentax Ý. Bơm có thiết kế trục bơm bằng inox 303, dùng bơm nước sạch, nhiệt độ thường dưới 50 độ C. Cánh bơm dạng cánh ly tâm, nên hiệu suất cao, bơm có lưu lượng lớn, cánh bơm thường là cánh nhựa hoặc có thể chọn cánh đồng (model bơm ../01).
Máy bơm dân dụng Pentax MBT 200 2.5HP 380V được sản xuất bởi Pentax tại nhà máy đặt tại Ý, nên sản phẩm được sản xuất theo tiêu chuẩn Châu Âu, và Ý là nơi có ngành công nghiệp sản xuất máy bơm rất phát triển. Pentax cung cấp đầy đủ các dòng sản phẩm từ bơm dân dụng đến công nghiệp.
Máy bơm dân dụng Pentax MBT 200 2.5HP 380V được sử dụng để cấp nước cho sinh hoạt như bơm đẩy nước lên bồn chứa đặt trên cao để sử dụng cấp nước sinh hoạt cho gia đình, cho trường học, cấp nước cho nhà hàng bằng cách hút nước giếng, hút nước thủy cục...Bơm cũng có thể sử dụng cho tưới tiêu, tưới trực tiếp, tưới béc tự động, tưới nhỏ giọt..Bơm sử dụng để xịt rửa áp lực như xịt rửa sàn nhà, chuồng trại...
Bên cạnh đó, máy bơm Pentax MBT 200 2.5HP 380V còn sử dụng để lắp đặt các cụm bơm tăng áp theo yêu cầu tại Việt Nam, với mục đích tiết kiệm chi phí và tìm được bơm có lưu lượng và áp lực đúng với thực tế. Bơm tăng áp sẽ gồm bơm Pentax kết hợp bình tích áp và phụ kiện tăng áp.
Khi mua máy bơm dân dụng Pentax MBT 200 2.5HP 380V tại công ty TNHH Thuận Hiệp Thành, Quý Khách sẽ được cung cấp hàng với giá tốt nhất, bảo hành 12 tháng, chúng tôi cam kết sản phẩm cấp ra là hàng chính hãng nhập khẩu từ Italy, đầy đủ chứng từ xuất xứ và tem chống hàng giả
| Model | MBT 200 |
| Công suất (HP) | 2.5 HP |
| Đẩy cao (m) | 41.8 - 26 |
| Lưu lượng (m3/h) | 2.4-10.2 |
| Điện áp | 3 pha (380V) - 50Hz |
| Đường kính hút xả: | 49-42 mm |
| Xuất xứ | Ý |
| Bảo hành | 12 tháng |



| MODEL | CÔNG SUẤT HP |
ĐIỆN ÁP | ĐƯỜNG KÍNH HÚT XẢ | LƯU LƯỢNG Q (m3/h) |
CỘT ÁP H (m) |
ĐƠN GIÁ CHƯA VAT |
| BƠM LY TÂM DÂN DỤNG PENTAX MB | ||||||
| MB 200/00 | 2.5 | 220 | 49 - 42 | 2.4 - 10.2 | 41.8 - 26 | 10,820,000 |
| MBT 200/00 | 2.5 | 220 | 49 - 42 | 2.4 - 10.2 | 41.8 - 26 | 10,640,000 |
| MB 300/00 | 3 | 380 | 49 - 42 | 2.4 - 10.8 | 45.9 - 28.6 | 15,010,000 |
| MBT 300/00 | 3 | 380 | 49 - 42 | 2.4 - 10.8 | 45.9 - 28.6 | 14,000,000 |
Giá mang tính chất tham khảo, để có báo giá và chiết khấu chính xác hơn, vui lòng liên hệ với kinh doanh để biết thêm thông tin.
Xem hoặc download catalogue máy bơm dân dụnag Pentax MBT 200 2.5HP 380V tại đây
xem tiếp sản phẩm máy bơm dân dụng Pentax MBT 300 3HP 380V
Sản phẩm liên quan
HỖ TRỢ
Ms. Hằng
Ms Linh
TIN TỨC
Máy bơm chữa cháy là gì? Máy bơm chữa cháy là cụm từ thể hiện chức năng...
Máy bơm giếng khoan là gì? Máy bơm giếng khoan...
Máy bơm chìm nước thải mùa mưa – Cách chọn đúng...
VỀ CHÚNG TÔI
Hàng đầy đủ CO/CQ
Giá cả cạnh tranh
Giao hàng đúng thỏa thuận
Bảo hành tận tâm
THỎA THUẬN & CHÍNH SÁCH
công ty tnhh thuận hiệp thành
21/20/77 Lê Công Phép, P. An Lạc, Q. Bình Tân, Tp HCM
bomnuocthuanhiepthanh@gmail.com

